| 產品中心Products
|
接線箱、接管盒



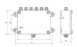
JGX□-□T型接管箱

| 序號 |
型號 |
外型尺寸(mm) |
內部凈空尺寸(mm) |
分管根數 |
| L |
B |
H |
L 1 |
B 1 |
| 1 |
JGXL-19T |
380 |
200 |
100 |
410 |
140 |
19 |
| 2 |
JGXL-12T |
290 |
200 |
100 |
320 |
140 |
12 |
| 3 |
JGXL-7T |
180 |
200 |
100 |
210 |
140 |
7 |
| 4 |
JGXL-5T |
180 |
160 |
80 |
210 |
/ |
5 |
| 5 |
JGXL-4T |
180 |
160 |
80 |
210 |
/ |
4 |
| 6 |
JGXL-3T |
180 |
160 |
80 |
210 |
/ |
3 |
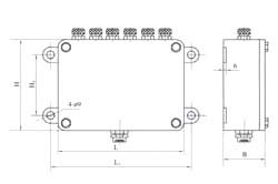
JGX□-□S型接管箱
| 序號 |
型號 |
外型尺寸(mm) |
內部凈空尺寸(mm) |
分管根數 |
| L |
B |
H |
L 1 |
B 1 |
| 1 |
JGXL-19S |
380 |
200 |
100 |
410 |
140 |
19 |
| 2 |
JGXL-12S |
290 |
200 |
100 |
320 |
140 |
12 |
| 3 |
JGXL-7S |
180 |
200 |
100 |
210 |
140 |
7 |
| 4 |
JGXL-5S |
180 |
160 |
80 |
210 |
/ |
5 |
| 5 |
JGXL-4S |
180 |
160 |
80 |
210 |
/ |
4 |
| 6 |
JGXL-3S |
180 |
160 |
80 |
210 |
/ |
3 |
上一個產品: 儀表保溫<護>箱系列下一個產品: 鋁合金穿線盒
相關新聞:
相關產品:
|